Skip to content
Visit Automotive Site
Brochures & Specs
Home old
Skip to content
HEATERS
|
Infrared Heaters
|
Getting Started
|
C/CD-Series (Surface Mount)
|
Motif Collection
|
W/WD-Series (Flush Mount)
|
SL-Series (Surface Mount)
|
Comfort Garage Heater
|
CONTROLS
|
Control Options
|
Custom Controls
|
Universal Control
Packages
(Smart)
|
Home Management
Systems
(Smart Plus)
|
Solid State Control
Packages
(Simple Plus)
|
Value Controls
|
Enhanced Timer
Package
|
Simple On/Off
Switches
|
Duplex/Stack
Switches
|
INF Input
Regulators
|
Our Advantage
|
Made in USA Manufacturing
|
Mounting Options
|
Marine UpGrade
|
Custom Design
|
Inspiration
|
Inspired Outdoors
|
Infratech Visionaries
|
Blog
|
Gallery
|
FOR THE TRADE
|
Join Our Trade Program
|
Installers
|
Specifiers
|
Dealers
|
Resources
|
Complimentary Design Plan
|
Brochures & Specs
|
Videos
|
Image Downloads
|
Reviews
|
Infrared Basics
|
Contact Us
|
FAQS
|
Blog
|
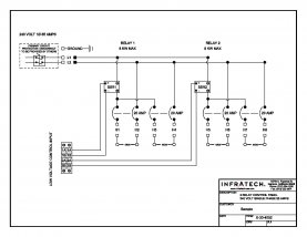
X-30-4052 and X-30-4046 Solid State Control Sample Diagram